一、概述
DRB-P系列電動潤滑泵適用于潤滑頻率高,配管長度大,潤滑點密集的單、雙線干稀油集中潤滑系統中,作為供給潤滑脂的輸送裝置。還可配備移動小車、膠管、油槍和電纜組成移動式電動潤滑泵裝置,適用于潤滑頻率低,潤滑點少,給油量大,不便于采用集中潤滑的單機設備,進行移動供脂潤滑。
該系列潤滑泵為電動高壓柱塞式。工作壓力在公稱壓力范圍內可任意調整,有雙重過載保護。貯油桶具有油位自動報警裝置,潤滑泵若配備電氣控制箱能實現雙線集中潤滑系統全自動控制,并對系統實現監視。 |
|
|
二、技術參數
型 號 |
公稱壓力MPa |
額定給油量mL/min |
貯油器容積L |
電機 |
適用環境溫度 |
重 量kg |
功率kW |
電壓 |
DRB1-P120Z |
40 |
120 |
30 |
0.37 |
380 |
0~80 |
56 |
DRB2-P120Z |
0.75 |
-20~80 |
64 |
DRB3-P120Z |
60 |
0.37 |
0~80 |
60 |
DRB4-P120Z |
0.75 |
-20~80 |
68 |
DRB5-P235Z |
235 |
30 |
1.5 |
0~80 |
70 |
DRB6-P235Z |
60 |
74 |
DRB7-P235Z |
100 |
82 |
DRB8-P365Z |
365 |
60 |
74 |
DRB9-P365Z |
|
100 |
82 |
使用介質為錐入度不低于220(25℃,150g)1/10mm 的潤滑脂(NLGI0#-3#)和粘度等級大于N68 的潤滑油。
|
|
|
三、型號說明
|
四、型號說明 |
 |
|
|
五、外形尺寸
|
|
|
規格 |
D |
H |
H1 |
B |
L |
L1 |
a |
貯油筒 |
30L |
310 |
760 |
1140 |
200 |
— |
233 |
1045 |
60L |
400 |
810 |
1190 |
230 |
— |
278 |
1095 |
100L |
500 |
920 |
1200 |
280 |
— |
328 |
1205 |
電機功率 |
0.37kW.80r/min |
— |
— |
— |
— |
500 |
— |
— |
0.75kW.80r/min |
— |
— |
— |
— |
563 |
— |
— |
1.5kW.160r/min |
— |
— |
— |
— |
575 |
— |
— |
1.5kW.250r/min |
— |
— |
— |
— |
575 |
— |
— |
|
|
  |
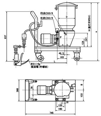
(1)潤滑泵的外形尺寸 (2)帶小車潤滑裝置外形尺寸 |
|
 |
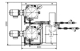
(3)雙泵帶電動換向閥潤滑裝置外形尺寸 |
|
六、工作原理
減速電機固定于帶泵裝置的連接法蘭上,通過驅動偏心軸帶動滑叉作直線往復運動,并帶動螺旋壓油板和刮油板順時針方向旋轉(使用潤滑油無此機構),經攪動變軟的潤滑脂均勻地被壓到泵裝置吸油口周圍。
泵體內二組活塞,每組活塞由1個工作塞和2個控制活塞組成,當一組活塞中的工作活塞完成吸油過程時,另一組活塞中的工作活塞則把潤滑脂壓向出油口。如下圖所示,當滑叉向左運動時,上組活塞完成吸油,下組活塞完成壓油,開始新的工作循環。這時下組活塞1、2向左運動,活塞2在彈簧力作用下到達極限位置關閉出口,而活塞1繼續向左運動,這時活塞2和1之間形成真空,其真空度隨活塞1的左移不斷增大,滑叉運動到極限位置活塞1打開吸油口,潤滑脂從吸油口吸入,如彈簧力不足,沒將活塞2推到極限位置,此時推桿3會在滑叉的推動下強制地把活塞2壓到極限位置,同時上組活塞1、2、3向左運動,活塞1先關閉吸油口,被吸入的潤滑脂在活塞1的推動下向左移動,當活塞2把出油口打開時,活塞2和推桿3 的運動也就停止,活塞1繼續左移,把潤滑脂從出油口壓出,活塞1、2接觸滑叉也已運動到極限位置完成半個循環的工作,如此周而復始地循環,二組活塞交替地將潤滑油脂從出油口壓送出來,壓出的潤滑脂經泵裝置連接法蘭上的過濾器過濾后向系統供送。
|
|
使用要領
1、該系列電動潤滑泵應安裝在環 境合適、灰塵少,便于調整、檢查、維修和拆洗及方便補脂的地方。
2、該系列電動潤滑泵應盡可能布置在系統的中心位置,縮短系統配管長度,保持最低壓力降,使泵能產生足以克服潤滑點背壓的壓力。
3、泵調壓閥的設定壓力,可以在0~40MPa范圍內任意調節,在使用時不允許超過泵的公稱壓力(40MPa)。
4、泵出油口處過濾器的過濾網要定期清洗,防止堵塞。
5、若由于系列某種故障原因,使壓力達到約50MPa時,保險片即破裂,要查明原因并排除后再裝入新的保險片。
6、向貯油器內補充潤滑劑必須使用DJB-H1.6型電動補脂泵從貯器補脂口加入。
7、貯油器內薄膜式容量指示器只適用于潤滑脂,使用介質為潤滑油時,必須調換成浮球式容量指示器。
8、電動減速機初用二個月必須從排氣塞孔補充適量的3#二硫化鉬潤滑 脂,以后每隔四個月補充一次。
9、該系列電動潤滑泵為室內安裝型,在室外或環境惡劣的場合使用時,必須采取防護措施。
訂貸說明
1、訂購移動式電動潤滑泵裝置,必須在合同中注明所配膠管長度及電纜長度,不注的均按電纜10米,膠管3米供貨。
2、本系列電動潤滑泵配用以下三種形式標準電控箱,可根據不同控制要求選擇訂購。
2.1 GDK01型無監控電控箱
2.2 GDK02型有監控電控箱
2.3 GDK03型有監控,全自動控制電控箱
3、該系列電動潤滑泵為短時間間隔工作制,有戶如需長時間連接工作請合同中注明。
隨供備件
1、保險片 10片(存放于泵出油口下側的螺孔內)
2、過濾網 2套 |